В Ульяновске на неделю перекроют улицу Ефремова
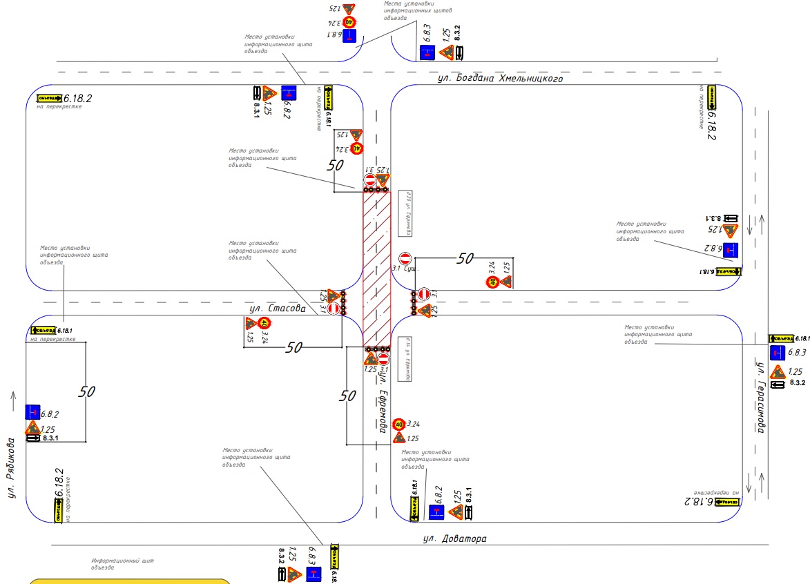
По информации управления ЖКХ, с 7:00 21 июля до 24:00 27 июля будет закрыто движение транспортных средств по участку улицы Ефремова от дома №20 до улицы Стасова.
По информации управления ЖКХ, с 7:00 21 июля до 24:00 27 июля будет закрыто движение транспортных средств по участку улицы Ефремова от дома №20 до улицы Стасова.
Это необходимо для проведения ульяновским филиалом ПАО «Т Плюс» земляных работ по техническому перевооружению тепломагистрали в рамках подготовки к следующему отопительному сезону.
Последние новости
Как продлить срок службы бассейна и хамама: советы по обслуживанию
Рекомендации по регулярному обслуживанию и уходу за бассейном и хамамом, чтобы вода оставалась чистой, а конструкции служили дольше.
Стоматофобия: откуда берётся страх перед зубными врачами и как с ним жить
Психология и опыт людей, которые борются со страхом стоматологов

СТАТИСТИКА РАССМОТРЕНИЯ ГРАЖДАНСКИХ ДЕЛ
На заседании коллегии по гражданским делам Ульяновского областного суда с 24 по 28 марта 2025 г. по апелляционным и частным жалобам,
Потребительский кредит без боли: как не стать жертвой долговой ямы
Как взять кредит с умом и не пожалеть об этом спустя пару месяцев